晶振官方博客
更多>>3.3V差分晶體振蕩器連接其他PECL實驗
來源:http://www.key-ic.com 作者:康華爾電子 2019年02月22
許多成功都是從實驗中得來的,對于電子元器件產業來說更是如此,每研發一顆新產品,工程和技術人員都會進行長時間的開發,設計,實驗,最終才會生產成品。自從科技領域發展速度加快之后,許多晶體制造商把目光放在差分晶體振蕩器的研發當中,+3.3V低電壓的差分晶振在更加活躍在市面上,3.3V是晶體振蕩器中比較常見的一種電壓,因為功耗比較低,穩定性好。下面是Pletronics晶振公司將自家PE9系列連接至PECL的實驗內容。
連接PE9至5.0VPECL:
第一個電路,如圖6所示,是一種將Pletronics 3.3V LVPECL,PE99振蕩器連接到a的方法。5V PECL負載。未示出負載電路和終端電阻,但是與任何5v相同PECL連接。即使顯示了PE9,這種方法也可以與PE77系列XO或VPU7系列VCXO。對于VCXO晶振,需要額外考慮控制輸入電壓范圍。為此應用選擇的低壓降輸出(LDO)穩壓器是負電壓穩壓器。任何固定的或可調節的負電壓調節器可以替代。該穩壓器必須從PE9吸收電流地面。

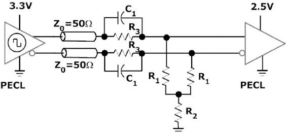
連接PE9至2.5VPECL-DC解決方案:
此外,PletronicsPE9和VPU7 VCXO系列3.3V LVPECL有源晶振具有很大的優勢。高頻應用中的成本和性能。盡管PE9和VPU7僅提供3.3V它們可以用于2.5V LVPECL應用中,只需要一些額外的電路。對于一個的價格小型LDO,有可能顯著提高性能并降低成本。
在下面的電路中,示出了一種方法,其中PE9系列振蕩器可以與2.5V LV-PECL差分晶振一起使用加載。僅僅使用像PE77系列這樣的2.5V LVPECL振蕩器似乎完全沒有必要。然而,PE9和VPU7系列振蕩器采用最新的SiGe工藝和設計與使用傳統方法相比,具有顯著的性能,更高的頻率和成本優勢第三泛音晶體,SAW諧振器等。因此,這種方法可能優于許多應用。

PE9與2.5VPECL-AC接口的接口:
AC耦合電阻電平轉換也可用于將PE9系列與2.5V LVPECL貼片差分晶體振蕩器解決方案連接。在更高的頻率,這種方法的布局對于保持兩個輸出的線路長度匹配至關重要信號。時鐘振蕩器輸出是50%占空比信號的連續流的事實允許使用交流終端。這種解決方案的抗噪能力受到3.3V無法比擬的誤差的影響和2.5V電源。為獲得最佳結果,應記錄錯誤。

C1的值適用于10MHz及以上的時鐘頻率。

總體而言,3.3v(以及最近2.5v)的LVPECL優于舊的5V PECL。對于LVPECL應用中,Pletronics提供2.5V或3.3V的PE7振蕩器系列和PE9振蕩器系列3.3V。但是,仍然存在需要5V PECL差分晶體振蕩器的應用。這是有問題的,因為5V PECL振蕩器的制造正在變得過時。此外,PE9系列是2.5V應用中的理想選擇。
連接PE9至5.0VPECL:
第一個電路,如圖6所示,是一種將Pletronics 3.3V LVPECL,PE99振蕩器連接到a的方法。5V PECL負載。未示出負載電路和終端電阻,但是與任何5v相同PECL連接。即使顯示了PE9,這種方法也可以與PE77系列XO或VPU7系列VCXO。對于VCXO晶振,需要額外考慮控制輸入電壓范圍。為此應用選擇的低壓降輸出(LDO)穩壓器是負電壓穩壓器。任何固定的或可調節的負電壓調節器可以替代。該穩壓器必須從PE9吸收電流地面。

連接PE9至2.5VPECL-DC解決方案:
此外,PletronicsPE9和VPU7 VCXO系列3.3V LVPECL有源晶振具有很大的優勢。高頻應用中的成本和性能。盡管PE9和VPU7僅提供3.3V它們可以用于2.5V LVPECL應用中,只需要一些額外的電路。對于一個的價格小型LDO,有可能顯著提高性能并降低成本。
在下面的電路中,示出了一種方法,其中PE9系列振蕩器可以與2.5V LV-PECL差分晶振一起使用加載。僅僅使用像PE77系列這樣的2.5V LVPECL振蕩器似乎完全沒有必要。然而,PE9和VPU7系列振蕩器采用最新的SiGe工藝和設計與使用傳統方法相比,具有顯著的性能,更高的頻率和成本優勢第三泛音晶體,SAW諧振器等。因此,這種方法可能優于許多應用。

PE9與2.5VPECL-AC接口的接口:
AC耦合電阻電平轉換也可用于將PE9系列與2.5V LVPECL貼片差分晶體振蕩器解決方案連接。在更高的頻率,這種方法的布局對于保持兩個輸出的線路長度匹配至關重要信號。時鐘振蕩器輸出是50%占空比信號的連續流的事實允許使用交流終端。這種解決方案的抗噪能力受到3.3V無法比擬的誤差的影響和2.5V電源。為獲得最佳結果,應記錄錯誤。

C1的值適用于10MHz及以上的時鐘頻率。

總體而言,3.3v(以及最近2.5v)的LVPECL優于舊的5V PECL。對于LVPECL應用中,Pletronics提供2.5V或3.3V的PE7振蕩器系列和PE9振蕩器系列3.3V。但是,仍然存在需要5V PECL差分晶體振蕩器的應用。這是有問題的,因為5V PECL振蕩器的制造正在變得過時。此外,PE9系列是2.5V應用中的理想選擇。
正在載入評論數據...
相關資訊
- [2023-09-26]臺灣SIWARD晶振有著領先全球的光蝕刻制...
- [2023-07-12]淺談決定差分石英晶體振蕩器的振蕩頻率...
- [2023-06-27]SMD時鐘硅振蕩器從0/+70°c到-55/+125°...
- [2023-06-20]GPS接收器專用溫補晶體振蕩器C34-040.0...
- [2023-06-17]Cardinal石英晶體CSM1Z-A5B2C5-40-25.0...
- [2023-06-13]Aker音叉晶體CTS3-32.768-9-20-R為何開...
- [2023-02-16]具備高品質的石英晶體用于無線通信CS-0...
- [2022-09-16]EPSON蘋果手機無線充電器專用晶振Q3805...
- [2022-08-04]Abracon生產非常適合微處理器的時鐘晶體...
- [2022-08-03]西迪斯設計出獨特性能的小型化時鐘振蕩...
- [2022-08-02]村田首推用于消費級的陶瓷諧振器CSTLS8...
- [2022-07-22]常用編碼KC3225K12.0000C1GE00是一款微...


銷售代表
售后服務